|
|
|
|
| |
|
|
產品名稱:速度打滑檢測器
產品編號:0380-480
產品型號:KJT-SJ
更新時間:2024-05-28 10:11:36
出品單位:南京凱基特電氣有限公司 |
 |
|
產品詳細介紹 |
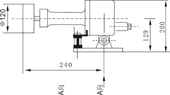
產品介紹: 本機用于對輸送機帶速進行線性檢測的新型裝置,對帶速進行實時監測,已廣泛應用于輸送系統中的膠帶上,為膠帶機的安全運行提供了可靠的檢測手段。 ◆技術參數 1、用環境條件 a、環境溫度:-15℃~+40℃ b、相對濕度:不大于80% 2、主要技術參數 a、工作電壓:220VAC±10% b、測速范圍:20~999r/min c、整機功耗〈15W d、開關形式:常閉型 ◆結構特點 1、機由觸輪、脈沖盤、電子脈沖開關、殼體等組成,觸輪采用鑄鐵鑄造,表面銑槽以耐磨護打滑作用。殼體采用鋁鑄造,聯接處配有密封圈即使本機減輕重量與較好防水性能。 2、機內開關采用常閉型、若帶速低于80%既可跳閘或停機。 ◆工作原理 當觸輪隨膠帶機運行而旋轉時而帶動機內的脈沖盤,在脈沖盤旋轉時傳感器的磁應信號輸入到控制電路中去,經放大整形后進行計數。其計數值與預置數比較,判斷膠帶的帶速,即:正常速度、打滑或超速等等。同時執行電路輸出相應的開關信號。 ◆安裝與使用 本機安裝在輸送機膠帶的下面,安裝后應保證膠帶有料情況下使打滑檢測器與膠帶面平行,同時膠帶無  


|
|